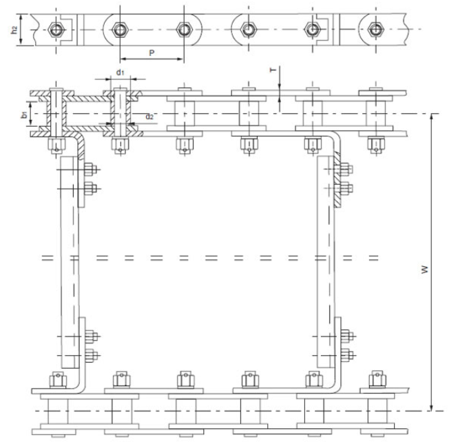
糧機輸送鏈主要輸送糧食及其它糧食廢渣,鏈條有焊接和折彎等結構。焊接鏈條為標準基鏈和刮板進行焊接,折彎鏈條是由鏈板經過折彎而成,鏈條所有零件都為中碳鋼經過熱處理。鏈條中每隔幾節裝有高分子聚乙烯的清掃板和回料斗。
糧機輸送鏈適用領域:糧食機械。
|
|
Technical Specifications
| Chain no. | Pitch p (mm) | Inner width of inner link b1(min) (mm) | Diameter of roller d1(max) (mm) | Diameter of pin d2 (mm) | Height of sidebar h (mm) | Thickness of sidebar t (mm) | Width of scraper L (mm) | Height of scraper h2 (mm) | Tensile strength q (min) (KN) |
| 66.5 | 26.5 | 22 | 12 | 30 | 6 | 130 | 60 | 130 | |
| 66.5 | 26.5 | 22 | 12 | 30 | 6 | 130 | 60 | 130 |
LTR665-R roller chain has separate rollers, while LTR665 has integrated roller and sleeve.
| Dimensions of Attachment Plate | ||||
| Chain no. | h1 (mm) | d4 (mm) | F (mm) | W (mm) |
| 32 | 10 | 102 | 130 | |
| 32 | 10 | 102 | 130 | |
|
|
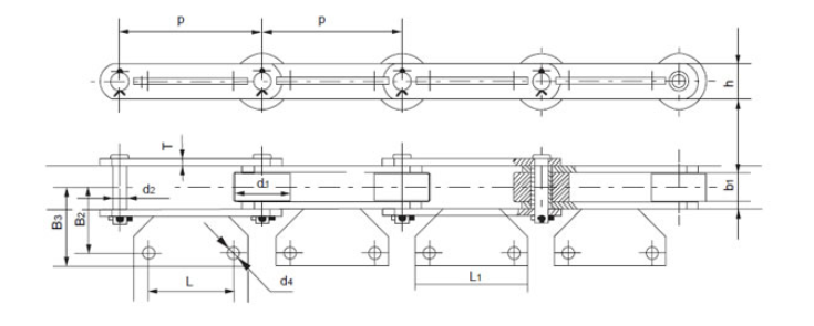
| Chain no. | Pitch P (mm) | Inner width of inner link b1(min) (mm) | Diameter of roller d1(max) (mm) | Diameter of pin d2 (mm) | Height of sidebar h (mm) | Thickness of sidebar T (mm) | Width of scraper L (mm) | Height of scraper h2 (mm) | Tensile strength Q (min) (KN) |
| 66.5 | 26.5 | 22 | 12 | 30 | 6 | 164 | 30 | 130 | |
| 66.5 | 26.5 | 22 | 12 | 30 | 6 | 180 | 30 | 130 | |
| 66.5 | 26.5 | 22 | 12 | 30 | 6 | 225-265 | 30 | 130 | |
| 100 | 38.5 | 36 | 16 | 40 | 6 | 225-305 | 40 | 220 | |
| 100 | 29.6 | 22.3 | 11.1 | 29 | 5 | 185 | 29 | 90 | |
| 125 | 32.5 | 28.6 | 14.3 | 42 | 6 | 235 | 42 | 170 | |
| 125 | 32 | 25 | 17 | 56 | 6 | 220 | 56 | 220 | |
| 125 | 32 | 36 | 20 | 60 | 6 | 290 | 60 | 300 | |
| 160 | 52 | 40 | 20 | 55 | 9.5 | 470 | 55 | 378 | |
| 160 | 52 | 40 | 20 | 55 | 9.5 | 580 | 55 | 378 | |
| 160 | 45 | 39.3 | 22 | 60 | 8 | 360 | 60 | 470 | |
| 160 | 36.8 | 36 | 18 | 48 | 8 | 160 | 48 | 240 | |
| 160 | 45 | 39.3 | 22 | 60 | 6 | 370 | 60 | 352 |
| Chain no. | Pitch P (mm) | inner width of inner link b1(min) (mm) | diameter of roller d1(max) (mm) | diameter of pin d2 (mm) | height of sidebar h (mm) | thickness of sidebar T (mm) | width of scraper L (mm) | height of scraper h2 (mm) | tensile strength Q (min) (KN) |
| 63 | 24 | 10 | 30 | 4 | 218 | 30 | 56 | ||
| 66.5 | 26.5 | 12.7 | 30 | 6 | 160 | 30 | 100 | ||
| 66.5 | 26.5 | 12.7 | 30 | 6 | 200 | 30 | 100 | ||
| 66.5 | 26.5 | 22.23 | 12 | 30 | 6 | 164 | 30 | 130 | |
| 66.5 | 26.5 | 22.23 | 12 | 30 | 6 | 180 | 30 | 130 | |
| 66.5 | 26.5 | 22.23 | 12 | 30 | 6 | 130 | 30 | 130 | |
| 66.5 | 26.5 | 22.23 | 12 | 30 | 6 | 225 | 30 | 130 | |
| 100 | 38 | 36 | 16 | 40 | 6 | 232 | 40 | 123.5 | |
| 100 | 25 | 14 | 40 | 5 | 180 | 40 | 156 | ||
| 100 | 25 | 10 | 30 | 5 | 175 | 30 | 88 | ||
| 100 | 38 | 36 | 16 | 40 | 6 | 225 | 40 | 150 | |
| 100 | 38 | 36 | 16 | 40 | 6 | 294 | 40 | 150 | |
| 100 | 29.6 | 22.23 | 12 | 30 | 6 | 185.6 | 30 | 130 | |
| 125 | 32 | 15.85 | 35 | 6 | 235 | 35 | 170 | ||
| 125 | 30 | 15 | 40 | 5 | 160 | 40 | 80 | ||
| 125 | 35 | 18 | 50 | 6 | 200 | 50 | 176.4 | ||
| 125 | 35 | 18 | 50 | 6 | 250 | 50 | 176.4 | ||
| 125 | 35 | 18 | 50 | 6 | 300 | 50 | 176.4 | ||
| 125 | 30 | 16 | 40 | 6 | 280 | 40 | 169 | ||
| 125 | 25 | 14 | 35 | 5 | 180 | 35 | 117 | ||
| 125 | 43 | 21 | 60 | 8 | 385 | 60 | 224 | ||
| 125 | 43 | 21 | 60 | 8 | 285 | 60 | 224 | ||
| 125 | 52 | 40 | 20 | 60 | 10 | 590 | 60 | 274.4 | |
| 125 | 25 | 14 | 40 | 5 | 300 | 40 | 156 | ||
| 125 | 32 | 15 | 40 | 6 | 285 | 40 | 112 | ||
| 125 | 52 | 44 | 22 | 60 | 10 | 445 | 60 | 376 | |
| 125 | 32 | 18 | 50 | 6 | 300 | 50 | 190 | ||
| 125 | 25 | 14 | 35 | 5 | 170 | 35 | 90 | ||
| 125 | 32 | 15 | 40 | 6 | 385 | 40 | 112 | ||
| 150 | 30 | 15 | 40 | 5 | 210 | 40 | 80 | ||
| 160 | 30 | 15 | 50 | 6 | 265 | 50 | 140 | ||
| 160 | 30 | 15 | 45 | 6 | 265 | 45 | 112 | ||
| 160 | 45 | 20 | 50 | 8 | 390 | 50 | 160 | ||
| 160 | 36 | 36 | 17.8 | 50 | 8 | 385 | 50 | 254 | |
| 200 | 20 | 25.4 | 63.5 | 12.7 | 825 | 63.5 |

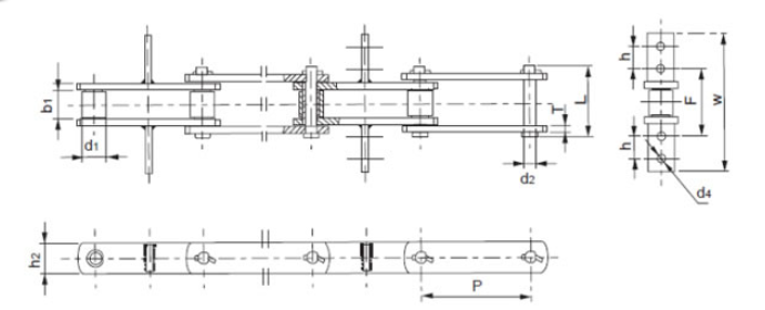
| Chain no. | Pitch P (mm) | Inner width of inner link b1(min) (mm) | Diameter of roller d1(max) (mm) | Diameter of pin d2 (mm) | Length of pin L (max) (mm) | Height of sidebar h2 (mm) | Thickness of sidebar T (mm) | Chain distance W (mm) | Tensile strength of single chain Q (min) (KN) |
| 66.5 | 26.5 | 22 | 12 | 54 | 30 | 6 | 127 | 130 | |
| 100 | 38.5 | 36 | 16 | 82 | 40 | 8 | 150 | 200 | |
| 110 | 23.9 | 38 | 15.85 | 77 | 35 | 6 | 188 | 170 | |
| 125 | 52 | 40 | 28.1 | 101.2 | 65 | 8 | 260 | 220 |
|
|
| Chain no. | Pitch P (mm) | Inner width of inner link b1(min) (mm) | Diameter of roller d1(max) (mm) | Diameter of pin d2 (mm) | Height of sidebar h2 (mm) | Thickness of sidebar T (mm) | Width of scraper L (mm) | Tensile strength Q (min) (KN) |
| 101.6 | 31.75 | 31.75 | 15.8 | 50 | 8 | 154 | 138 | |
| 101.6 | 31.75 | 40 | 15.8 | 50 | 8 | 198 | 138 | |
| 101.6 | 31.75 | 40 | 15.8 | 50 | 8 | 279 | 138 | |
| 152.4 | 52 | 40 | 19.1 | 60 | 8 | 188 | 158 | |
| 152.4 | 52 | 40 | 19.1 | 60 | 8 | 250 | 158 | |
| 152.4 | 52 | 40 | 19.1 | 60 | 8 | 378 | 158 |
![]() | ![]() |
| Chain no. | Pitch P (mm) | Inner width of inner link b1(min) (mm) | Diameter of roller d1(max) (mm) | Height of sidebar h2 (mm) | Thickness of sidebar T (mm) | Diameter of pin d2 (mm) | Length of pin L(max)(mm) | Hole diameter of attachment plate d4(mm) | Central distance of holes of attachment plate | Outer width of attachment plate W(max)(mm) | Tensile strength Q(min)(KN) | Weight per meter q (kg/m) | |
| F(mm) | h(mm) | ||||||||||||
| 66.27 | 27 | 22.2 | 28.6 | 6.3 | 11 | 65.7 | 9.5 | 95.6 | 25 | 180 | 70.6 | 65 | |
| 66.27 | 27 | 22.2 | 28.6 | 6.3 | 11 | 65.7 | 9.5 | 95.6 | 50 | 230 | 70.6 | 80 | |
| 66.27 | 27 | 22.2 | 28.6 | 6.3 | 11 | 65.7 | 9.5 | 95.6 | 50 | 260 | 70.6 | 90 | |
| 101.60 | 27 | 22.2 | 28.6 | 6.3 | 11 | 65.7 | 7.5 | 63.5 | 21 | 130 | 70.6 | 130 | |
| 101.60 | 27 | 22.2 | 28.6 | 6.3 | 11 | 65.7 | 9.5 | 95.6 | 25 | 180 | 70.6 | 210 | |
| 101.60 | 27 | 22.2 | 28.6 | 6.3 | 11 | 65.7 | 9.5 | 95.6 | 50 | 230 | 70.6 | ||
| 101.60 | 27 | 22.2 | 28.6 | 6.3 | 11 | 65.7 | 9.5 | 95.6 | 50 | 260 | 70.6 | ||

Chain no. | Pitch P (mm) | Inner width of inner link b1(min) (mm) | Diameter of roller d1(max) (mm) | Diameter of pin d2 (mm) | Height of sidebar h2 (mm) | Thickness of sidebar T (mm) | Width of scraper B(mm) | Tensile strength Q(min)(KN) |
| 100 | 25 | 40 | 10 | 28 | 6 | 6 | 65 | |
| 125 | 27 | 50 | 12 | 32 | 6 | 6 | 80 | |
| 160 | 27 | 50 | 12 | 36 | 6 | 5 | 90 | |
| 160.00 | 32 | 60 | 15 | 50 | 8 | 8 | 130 | |
| 200.00 | 40 | 80 | 18 | 50 | 10 | 10 | 210 |
| Dimensions of Attachment Plate | |||||
| Chain no. | B2(mm) | B3(mm) | d4(mm) | L(mm) | L1(mm) |
| 50 | 60 | 9 | 60 | 80 | |
| 60 | 71 | 11 | 75 | 100 | |
| 60 | 71 | 11 | 80 | 110 | |
| 65.00 | 78 | 13 | 80 | 120 | |
| 70.00 | 90 | 13 | 100 | 140 | |
Related Names
Agricultural Chains | Attachment Roller Chain | Incline Conveyor Chain


